¡¡¡¡¡¡¡¡¡¡¡¡¡¡¡¡¡¡¡¡¡¡ ¡¡¡¡¡¡¡¡¡¡¡¡¡¡GPC4ϵÁÐýX݆±Ã
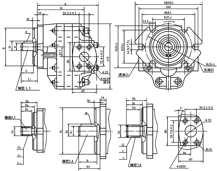
ÍâÐμ°°²ÑbßB½Ó³ß´ç£º ¡¡¡¡£¨1£©†Î±Ã
°æ™àËùÓУºžoÖÝéL(ch¨¢ng)½Òº‰º¼þ³ÉÌ×Éú®a(ch¨£n)ÓÐÏÞ¹«Ë¾ µØÖ·£ºžoÖÝÊнê–(y¨¢ng)…^Üç²ÝÎ÷·Èý…^28Ì– ¾W(w¨£ng)Ö·£ºwww.m.joelgiron.com
ëŠÔ’(hu¨¤)£º0830-3580900 ‚÷Õæ£º0830-3586925 ÓÑô(h¨´)·þ„Õ(w¨´)ëŠÔ’(hu¨¤)£º0830-3589313
‚䰸̖£ºÊñICP‚ä10029769Ì–-2 ½yÒ»Éç•þ(hu¨¬ )ÐÅÓôú´a£º9151050275233023XD ¾W(w¨£ng)Õ¾½¨ÔO£ºžoÖݽð¾W(w¨£ng)